Запасные части ЧТЗ Запасные части ЧТЗ
Херсон
Например:
Актобе
Алдан
или
Выбрать автоматически
Актобе
Алдан
Алматы
Алчевск
Архангельск
Астана
Астрахань
Атырау
Баку
Балашиха
Барнаул
Белгород
Бердянск
Бишкек
Владивосток
Владикавказ
Воркута
Воронеж
Горловка
Грозный
Донецк
Екатеринбург
Иваново
Ижевск
Иркутск
Казань
Калининград
Каменск-Уральский
Караганда
Каховка
Кемерово
Киров
Комсомольск-на-Амуре
Костанай
Краснодар
Красноярск
Красный луч
Ленск
Луганск
Магадан
Магнитогорск
Макеевка
Махачкала
Мелитополь
Минск
Мирный (Якутия)
Москва
Мурманск
Нерюнгри
Нижневартовск
Нижний Новгород
Нижний Тагил
Новая каховка
Новокузнецк
Новосибирск
Новый Уренгой
Норильск
Ноябрьск
Нур-Султан
Омск
Оренбург
Ош
Павлодар
Пермь
Петрозаводск
Петропавловск
Петропавловск-Камчатский
Псков
Ростов-на-Дону
Салехард
Самара
Санкт-Петербург
Саратов
Севастополь
Семей
Симферополь
Сочи
Ставрополь
Сургут
Сыктывкар
Тараз
Ташкент
Токмак
Томск
Тында
Тюмень
Ульяновск
Усинск
Усть-Каменогорск
Уфа
Хабаровск
Ханты-Мансийск
Херсон
Челябинск
Чита
Шымкент
Экибастуз
Энергодар
Южно-Сахалинск
Якутск
Ваш город
Херсон
Войти
Запасные части к тракторам на одном сайте
Отправить заявку


Установка топливоподкачивающего насоса на Т-170


/
с НДС 20%
Описание
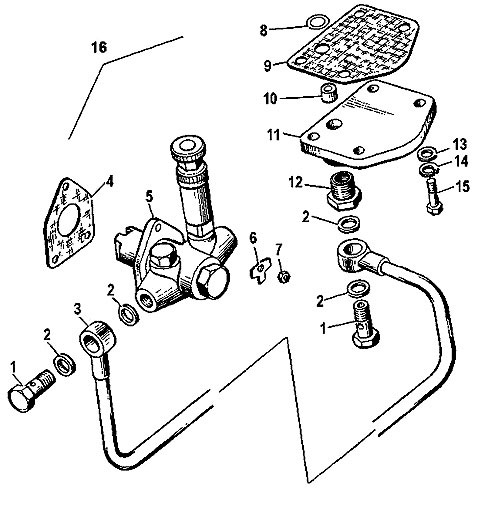
Установка топливоподкачивающего насоса
Поз.Номер по каталогуНаименование детали
0 51-06-102СП Крышка
1 700-41-2716 Болт поворотного угольника
2 51-06-8 Кольцо
3Топливопровод 51-41-107СП
4 700-40-3323 Прокладка
5 АВ10М.80.16.085 Насос топливоподкачивающий
6 700-31-2087 Шайба стопорная
7 М6-6.019 Гайка
8 40915 Кольцо уплотнительное
9 40916 Прокладка
10 51-06-9 Втулка
11 Крышка 51-06-7
12 700-41-3395 Штуцер
13 31308 Шайба
14 10 ОТ 65Г 09 Шайба
15 М10х25.58.019 Болт
16 51-71-2СП Установка топливоподкачивающего насоса
Установка топливоподкачивающего насоса